Notify me when is back in stock
Laat je e-mailadres achter en we sturen je een mailtje wanneer dit product weer op voorraad is.
Bijna van jou!
Bestel nog voor extra voor gratis verzending, anders €0,-
Ajouter un avis

- The Bike
- The Workshop
- Matériel DIY
- Filtres
- Huile et graisse
- Electra et Allumage
- Pneus de moto
- Pièces de carburant
- Gicleur principaux
- Kits de jets de réglage et de performance
- Kit de reconstruction du carburateur
- carburateurs
- Ligne de carburant
- Pompe à essence et réparation
- Divers Pièces de carburant
- Collecteur d'admission
- Révision du robinet de carburant
- Joint de cuve à flotteur
- Kit de reconstruction de carburateur par All Balls
- Kit de reconstruction de la vanne d'arrêt d'air
- Kit de réparation de robinet de carburant Diaphragmes
- Pièces de frein
- Roulements
- Chaînes et pignons
- Matériaux de peinture
- Nettoyants & Polissage
- Joints
- Joints et pièces de fourches
- Câbles
- Embrayage
- Autres produits
- Outillage
- Manuels de moto
- Filtres à huile
- Filtre à air de remplacement
- The Rider
- Marques
- Suspension YSS OEM
- BMW
- Pour les BMW séries R
- Pour les BMW séries K
- BMW R Nine T Specials
- Pièces détachées BMW R18
- Selles BMW
- Filtres à air
- Freinage
- Arbre à cames
- Carburateur & Réservoirs
- Kits cylindre / piston
- Moteur
- Échappement
- Compteurs & Électricité
- Allumage
- Éclairage
- Huile / Refroidissement / Filtres
- Joints
- Selles & Cadres arrière
- Té de fourche supérieur
- Suspension
- Commandes reculées
- Câbles
- Divers BMW
- BMW F650-800GS
- BMW R1200GS
- Honda
- Honda CX / GL
- Suspension
- Compteurs de vitesse
- Bobines
- Filtres à air
- Kit de reconstruction du carburateur
- Faisceau électrique
- Joints
- Redresseurs
- Échappement
- Relais de démarreur
- Ressorts de fourche
- Stabilisateur de fourche
- Commandes reculées
- Électricité
- Câbles
- Roulements
- Chaîne
- Démarreurs et révision
- Pièces de moteur
- Divers Honda
- Honda CB 600F Hornet '07
- Honda CBR 500 R
- Honda VFR1200X CROSSTOURER
- Honda CBF 1000 '11 +
- Honda CBF 600 '06+
- Honda CBR 1000 RR '09
- Honda CB 1000 R '08
- Honda CBR600 F 11+
- Honda CB 500X '13+
- Yamaha
- Yamaha XV Virago / TR1
- Pièces MT 07 / XSR 700
- MT 09 / XSR 900
- Yamaha SR500
- Yamaha SR400
- Yamaha XS400
- Yamaha XS650
- Yamaha XT500
- Garde-boue
- Suspension
- Échappement
- Selles
- Commandes reculées
- Ressorts de fourche
- Relais de démarreur
- Stabilisateur de fourche
- Des autocollants
- Autre Yamaha
- Filtre à air
- Cadres arrière
- Ensemble chaîne et pignon
- Yamaha TZ 1200 Super Tenere
- Yamaha FZ1 Fazer 1000 '06+
- Yamaha TDM 900 '03+
- Yamaha FZ6 Fazer S2 '05+
- Yamaha Diversion XJ600 '08
- Yamaha FJR 1300
- Triumph
- Moto Guzzi
- Kawasaki
- Suzuki
- Suzuki SV650
- Divers Suzuki
- Échappement
- Relais de démarreur
- Suspension
- Ressorts de fourche
- Stabilisateur de fourche
- Commandes reculées
- Suzuki GSX 1300 R Hayabusa '08
- Suzuki GSXR 1000 K6-K7
- Suzuki GSF 650 Bandit
- Suzuki Gladius
- Suzuki DL 650 V-Strom '12+
- Suzuki GSX 650 F
- Suzuki SV 650 16+
- Suzuki DL 650 V-Strom '03 -'11
- Royal Enfield
- Ducati
- KTM
- Aprilia
- Husqvarna
- Kits
- Motos
- Vélomoteur
- SALE
- Service à la clientèle
- Marques
- Nouveau
Log in om je wishlist samen te stellen.
Login als zakelijke klant of shop verder als consument.
a déjà été ajouté à votre liste de souhaits
a déjà été ajouté à votre liste de souhaits

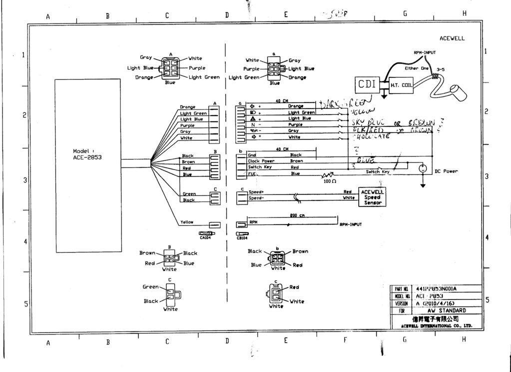
2853 AS Indicateur de vitesse avec boîtier en aluminium chromé
€199,95
€199,95
Veuillez accepter les cookies afin de rendre ce site plus fonctionnel. D'accord?
OuiNonEn savoir plus sur les témoins (cookies) »













































































































































































































































































































































































































































































































































































































































































































