Acewell
-
bekijk alles van Acewell
052-253S Mini indicateur de vitesse numérique km/h & tr/min - Noir
Productinformatie
Artikelcode:
18-0055
EAN-code:
7101128879615
Mini indicateur de vitesse très complet de Acewell. Il possède différentes fonctions, notamment indicateur de vitesse, de température, horloge, temps de parcours et temps total d'utilisation.
- Tableau de bord numérique rond de Acewell ACE-052-253S
- Diamètre : 2,5 "= 63,5 mm
- Épaisseur : 1,5 "= 38,1 mm
- Affichage en km/h et mph
- Matériau : aluminium
- Indicateur de vitesse et compte-tours
- Horloge interne intégrée
- Témoins lumineux intégrés
- Convient pour montage encastré ou en saillie
- Alternative abordable aux compteurs de vitesse BMW coûteux
- Noir (également disponible en version chromée)
- Capteur et aimant inclus
Le compteur numérique Acewell ACE-052-253S est approuvé par l’ADR et est conforme au Code de la route pour les véhicules de transport de passagers et les motos en Australie et en Nouvelle-Zélande. Il est possible d'encastrer cet indicateur de vitesse, ce qui le rend très populaire, tout particulièrement en ce qui concerne les motos personnalisées.
Caractéristiques:
- 100% étanche
- Écran LCD facile à lire avec rétroéclairage
- Avertissement de changement de rapport intégré
- Jauge de carburant
- Les valeurs du compteur horaire et du compteur kilométrique sont sauvegardées dans la mémoire interne de l'appareil
- Livré avec son support, capteur de régime moteur, capteur de vitesse, outils de montage et faisceau électrique
- Approuvé par la norme ADR pour les motos et les véhicules de transport de passagers
Fonctions:
- Compte-tours numérique : 100 - 19.900 tr/min
- Compte-tours sous forme de graphique à barres : 500 - 12.000 tr/min
- Indicateur de vitesse : 2,4 - 399 km/h
- Vitesse maximale : 2,4 - 399 km/h
- Vitesse moyenne : 2,4 - 399 km/h
- Compteur journalier (1 & 2) : 0 - 999 km
- Compteur kilométrique : 0- 999.999 km
- Horloge : 12 ou 24 heures
- Compteurs horaires 1 & 2 : 0 - 99 h
- Temps de fonctionnement : 0 - 9.999 h
- Pression du carburant : 0 - 7 bars
Caractéristiques
- Entrée pour l'alimentation : DC 12V
- Entrée pour le compte-tours : signal CDI ou bobine d'allumage
- Capteur de vitesse: Capteur à lame avec vis magnétiques
Le kit comprend :
- Indicateur de vitesse
- Support de fixation (support à triple pince disponible en option sous le numéro de produit ACE-IHO)
- Extension du faisceau électrique
- Kit de capteur de vitesse avec deux vis magnétiques
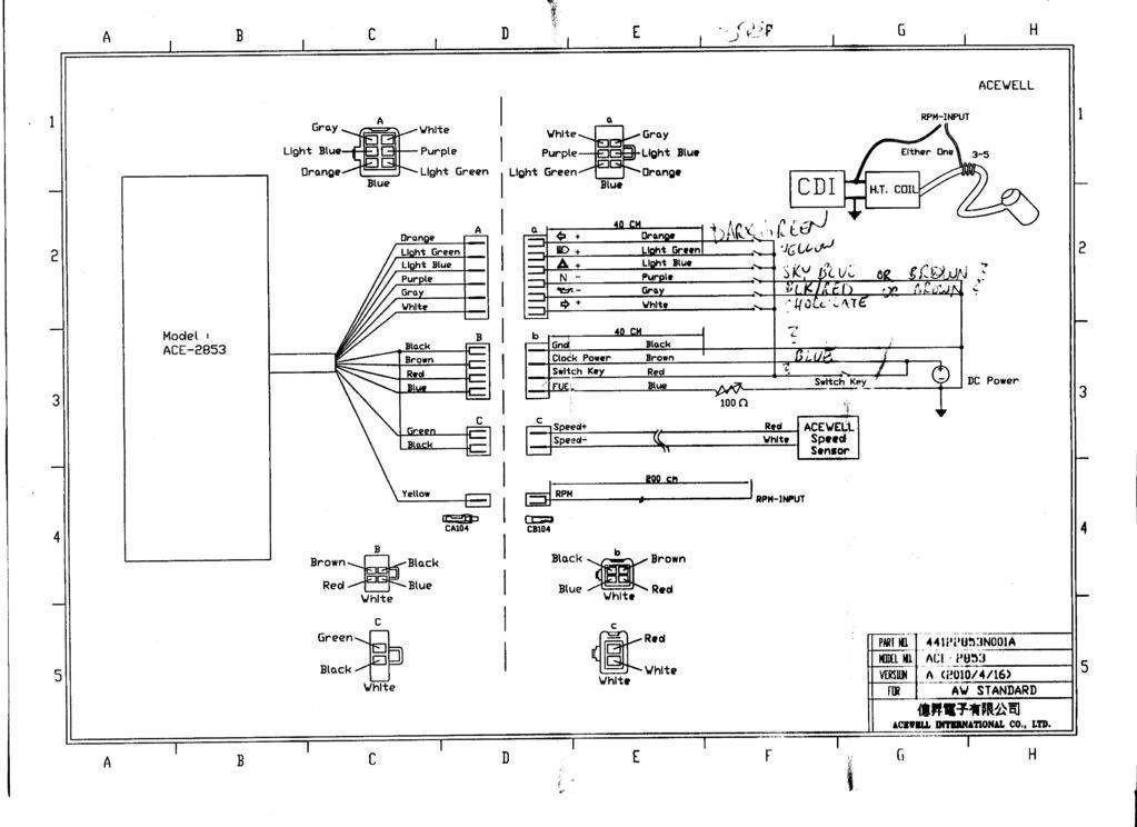
- Schéma de câblage
Installation facile
Caractéristiques:
- 100% étanche
- Écran LCD facile à lire avec rétroéclairage
- Avertissement de changement de rapport intégré
- Jauge de carburant
- Les valeurs du compteur horaire et du compteur kilométrique sont sauvegardées dans la mémoire interne de l'appareil
- Livré avec son support, capteur de régime moteur, capteur de vitesse, outils de montage et faisceau électrique
- Approuvé par la norme ADR pour les motos et les véhicules de transport de passagers
Fonctions:
- Compte-tours numérique : 100 - 19.900 tr/min
- Compte-tours sous forme de graphique à barres : 500 - 12.000 tr/min
- Indicateur de vitesse : 2,4 - 399 km/h
- Vitesse maximale : 2,4 - 399 km/h
- Vitesse moyenne : 2,4 - 399 km/h
- Compteur journalier (1 & 2) : 0 - 999 km
- Compteur kilométrique : 0- 999.999 km
- Horloge : 12 ou 24 heures
- Compteurs horaires 1 & 2 : 0 - 99 h
- Temps de fonctionnement : 0 - 9.999 h
- Pression du carburant : 0 - 7 bars
Caractéristiques
- Entrée pour l'alimentation : DC 12V
- Entrée pour le compte-tours : signal CDI ou bobine d'allumage
- Capteur de vitesse: Capteur à lame avec vis magnétiques
Le kit comprend :
- Indicateur de vitesse
- Support de fixation (support à triple pince disponible en option sous le numéro de produit ACE-IHO)
- Extension du faisceau électrique
- Kit de capteur de vitesse avec deux vis magnétiques
- Schéma de câblage
Installation facile
L'indicateur de vitesse peut être encastré ou monté à l'aide du support de montage fourni.
L'indicateur de vitesse Acewell utilise un commutateur à lames et un aimant. Les deux sont inclus dans le kit. Pour les motos, il suffit de remplacer un boulon de votre disque de frein avant avec le boulon magnétique fourni et d’aligner le capteur à lames avec l’aimant. Ensuite, vous devez programmer la circonférence du pneu dans le compteur Acewell. Cela permettra de calculer la vitesse, la longueur des trajets et les kilomètres parcourus. Pour les voitures, assurez-vous simplement que l'aimant passe devant le capteur à chaque tour du pneu. Ceci peut être fait en utilisant les roues, l’arbre de transmission ou d’autres pièces en rotation.
L'indicateur de vitesse Acewell utilise un commutateur à lames et un aimant. Les deux sont inclus dans le kit. Pour les motos, il suffit de remplacer un boulon de votre disque de frein avant avec le boulon magnétique fourni et d’aligner le capteur à lames avec l’aimant. Ensuite, vous devez programmer la circonférence du pneu dans le compteur Acewell. Cela permettra de calculer la vitesse, la longueur des trajets et les kilomètres parcourus. Pour les voitures, assurez-vous simplement que l'aimant passe devant le capteur à chaque tour du pneu. Ceci peut être fait en utilisant les roues, l’arbre de transmission ou d’autres pièces en rotation.
Notify me when is back in stock
Laat je e-mailadres achter en we sturen je een mailtje wanneer dit product weer op voorraad is.
Bijna van jou!

Acewell
052-253S Mini indicateur de vitesse numérique km/h & tr/min - Noir
Bestel nog voor extra voor gratis verzending, anders €0,-
Ajouter un avis


052-253S Mini indicateur de vitesse numérique km/h & tr/min - Noir
€159,95
€159,95








































































































































































































































































































































































































































































































































































































































































































